
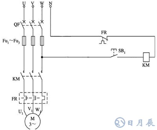
電動機點動控制線路如下圖所示。
(1)啟動停止控制:合上電源斷路器QF,按下啟動按鈕SB1→KM線圈得電→KM主觸頭閉合(輔助常開觸頭同時閉合)→電動機M啟動并點動運行。當松開SB1時,它雖然恢復到斷開位置,在松開SB1時,電動機停止。
(2)接線時,先接主回路,它是從380V三相交流電源的輸出端U、V、W開始,經(jīng)熔斷器、交流接觸器的主觸頭、熱繼電器到電動機上,用導線按順序分清顏色串聯(lián)起來。主電路連接完整無誤后,再連接控制電路。它是從220V三相交流電源某輸出端開始,經(jīng)過熔斷器、常開按鈕SB1、接觸器的線圈、熱繼電器的常閉觸頭到零線。
