
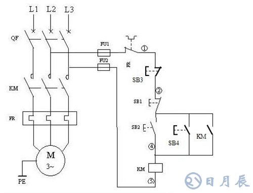
1.工作原理電路圖
電路圖為電動機2地控制電路。圖中設SB1、SB2為甲地啟停控制按鈕;SB3、SB4為乙地啟停控制按鈕,2組按鈕共同控制電動機M。
多地控制電路特征是:停止按鈕串聯(lián),啟動按鈕并聯(lián)。

2.電路工作原理
啟動:按下甲乙兩地(任意)啟動按鈕SB2或SB4→KM線圈得電吸合→其常開輔助觸頭閉合自鎖→其主觸頭閉合接通電動機主回路→電動機M運轉。
停止:按下甲乙兩地(任意)停止按鈕SB1或SB3→KM線圈失電釋放→其常開輔助自鎖觸頭斷開自鎖回路→其主觸頭釋放斷開電動機主回路→電動機M停止運轉。