
對于開關電源,由于高速開關的原因,容易導致 EMI 問題。其中 EMI 傳導的通常解決方法是在輸入端添加π形濾波器,下圖粉紅色線框部分為π形濾波器電路。

對于濾波器元器件的選擇,CF、LF 為主要濾波器件,具體值可以通過公式進行計算得到(可參考《傳導對策及?PCB?布線注意事項》);CD 一般取 CIN 的 2~4 倍,由于 CIN?電容一般選擇較大,進而導致 CD 電容過大。在客戶的角度上,這既增加了成本,又占用了大量 PCB 板空間。那么 CD 和 ESRD 是否是必須的呢?他們究竟能起到多大的作用?下面進行實驗測試。
XL4301 測試
使用 XL4301 測試,VIN=12V/24V,輸出設置為 5V,負載為 2.5Ω水泥電阻,測試標準為 EN55015。原理圖如下:



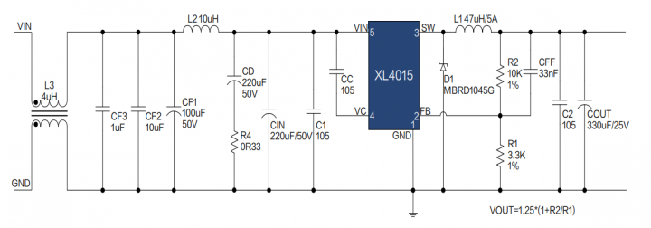
XL4015 傳導測試
使用 XL4015 測試,VIN=12V,輸出設置為 5V,負載為 1.76Ω水泥電阻,測試標準為 EN55015。原理圖如下(相比于 XL4301,下圖在輸入端額外增加了 1 個共模電感,用于濾除頻率較高的共模信號):

L2、L3 短接,CD、CF1~CF3、R4 均未焊接(無濾波器件):

無濾波器時,傳導干擾很嚴重。
按照 4015 原理圖,分別對比 CD、R4 和共模電感 L3 的作用:
從上圖可看出,CD 電容和 ESRD 對低頻噪聲有一定改善,但效果不是很明顯;共模電感對高頻噪聲抑制效果明顯。
總結: 1. CD 電容能起到一定作用,但通過良好的設計,只使用 LF 和 CF 也可以將 EMI 傳導干擾衰減到理想的范圍內;
2. 對于頻率較高的干擾,如果π形濾波器無法濾除,可以嘗試在輸入端添加共模電感。由于頻率較高,共模電感感量不需要很大,并且感量過大時,如果共模電感的兩繞組感量差距較大,差模電流有可能導致其磁飽和,從而失去濾除共模信號的作用;
3. 傳導干擾受 PCB 布線影響較大,具體請參考《傳導對策及 PCB 布線注意事項》。